Description
Description
Auto enthusiasts who have forced induction engines, high RPM engines or run nitrous oxide are aware of the compromises that come with using inductive coils instead of converting to a Capacitive Discharge Ignition system (CDI). While inductive coils deliver a long spark duration with simplicity, they lack the energy to adequately ignite the mixture in the combustion chamber of a highly modified performance vehicle. Conversely, CDIs deliver an intense burst of spark energy, but with practically no spark duration, which makes having the proper air/fuel mixture in the combustion chamber paramount for best performance. This compromise ends with AEM's High-Output IGBT "Smart" Inductive Coils.
Inductive Smart Coil, Spark Energy up to 118 mJ!
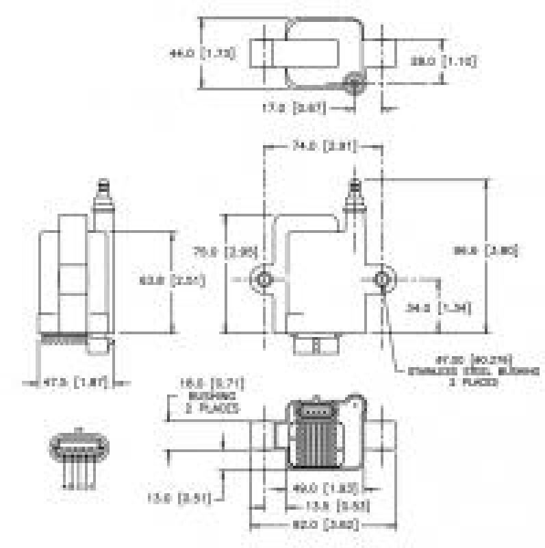
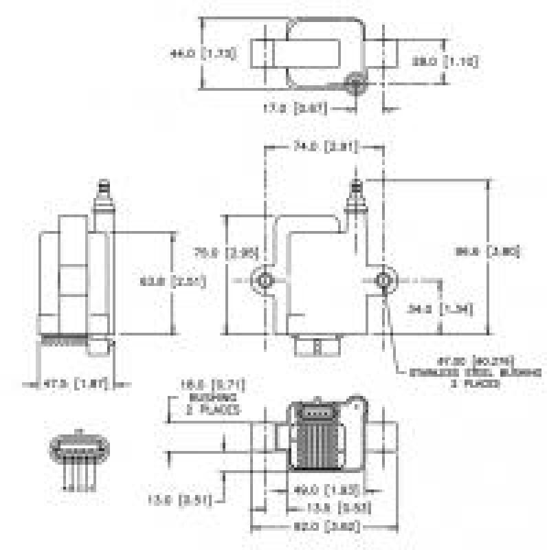
IMPORTANT: AEM High Output IGBT Smart and Dumb Coils are intended for coil-near-plug use ONLY. They are NOT intended for use on distributed applications and AEM cannot guarantee or warranty the performance of its IGBT coils when used on distributed ignition vehicles.
- Deliver CDI-like spark energy-No CDI Module needed
- Up to 40kV Output Voltage, without using a CDI
- Incredibly long spark duration, up to 2.9mS
- Can be mounted directly to the Engine
- Cost less than aftermarket LS1 coils
- Massive Spark Energy, up to 103 mJ
- Can be mounted almost anywhere
- Weather and Shockproof design
Payment & Security
Payment methods
Your payment information is processed securely. We do not store credit card details nor have access to your credit card information.








